Home
(615) 321-3311
My Cart
Parts
Accessories
Gear
My Account
Policies
My Account
Track Orders
Contact Us
Cart
Cart is Empty
Parts
Accessories
Gear
icons
1986 BMW-Motorrad K 100
×
Recent Motorcycles
1986 BMW-Motorrad K 100
Catalog
Add Motorcycle
Search All Motorcycles
Delete All Vehicles from My Garage
Search Bar 3
Search by Part Number(s), Keywords, or VIN
Featured Categories
Brakes
Batteries
All Categories
Air Intake & Fuel Delivery
Audio, Navigation, and Information Systems
Belts, Pulleys & Brackets
Body Equipment
Brakes
Cooling Systems
Electrical Systems
Engine Components
Gaskets
Lights
Suspension
Wheels & Tires
Additional Parts
Manuals and Handbooks
Air Intake & Fuel Delivery
Air Cleaner Assemblies
Air Intake Systems
Fuel Injectors
Fuel Pumps
Fuel Systems
Fuel Tanks
Full Set Gaskets
Throttle Valve And Actuators
Audio, Navigation, and Information Systems
Alarm Systems
Audio, Navigation, and Information Systems
Cruise Control Components
Instrument Panels
Instruments and Gauges
Navigation & Communication Tools
On Board Computers
Belts, Pulleys & Brackets
Belts, Pulleys & Brackets
Hoses & Clamps
Timing Belts & Chains
Body Equipment
Body Equipment
Fenders
Frame and Mounting
Handlebar Circumference Parts
Mirrors
Mouldings & Trim
Trim
Brakes
Bowden Cables
Brake Calipers
Brake Discs, Rotors & Hardware
Brake Drums
Brake Lines
Brake Master Cylinders
Brake Pads
Brakes
Cooling Systems
Coolant Lines
Cooling Systems
Radiators & Parts
Thermostats & Parts
Water Pumps
Electrical Systems
Alternators
Battery with Brackets
ECU Modules
Electrical Systems
Spark Plugs
Switches and Controls
Voltage Regulators
Engine Components
Air Filters
Camshafts, Lifters, & Parts
Cylinder Heads
Engine Components
Engines
Motor Mounts
Piston With Rings And Wristpins
Valve Covers
Gaskets
Exhaust Gaskets
Gaskets
Intake Gaskets
Oil Pan Gaskets
Lights
Fog Lamps And Auxiliary Lights
Headlight Bulbs
Headlights
Light Assemblies
Lights
Side Marker Lights
Tail Lights
Taillight Bulbs
Turn Signals
Suspension
Coil Springs
Control Arms
Mechanical Hydraulic Components
Shocks & Struts
Suspension & Steering
Suspension Parts
Sway Bars
Transmissions
Wheels & Tires
Tire Accessories
Tire Pressure Monitor Systems
Wheel Center Caps
Wheel Hubs & Bearings
Wheel Lugs
Wheels and Tires
Additional Parts
Cable Harnesses
Center Stands
Clutch Throwout Bearing With Lever
Drive Shafts
Exhaust Systems
Oil Coolers
Oil Filters
Rear Wheel Swinging Arms
Manuals and Handbooks
Equipment and Tools
Multilingual Repair Manuals
Owners Handbooks
Repair Manuals
All Categories
F Series
G Series
H Series
K Series
R Series
S Series
F Series
F650
F650 Enduro
F650 SE
F650CS
F650CS ABS
F650GS
F650GS ABS
F650GS Dakar
F800GS
All Models
G Series
G310GS
G310R
G650 Xchallenge
G650 Xcountry
G650 Xmoto
G650GS
G650GS Sertao
H Series
HP2 Enduro
HP2 Megamoto
HP2 Sport
HP4
HP4 RACE
K Series
K1
K100
K100LT
K100LT ABS
K100RS
K100RS ABS
K100RS FL
K1200LT
K75
All Models
R Series
R 18
R 18 B
R 18 Classic
R 18 Transcontinental
R nine T
R nine T /5
R1200C
R1200GS
R1250RT
All Models
S Series
S1000R
S1000RR
S1000XR
All Categories
Motorcycle Accessories
All Accessories
Cigarette Lighter Power Sockets
Cup Holders
Dash Parts
Design Accessories
Electronics
Ergonomics & Comfort Accessories
Grilles
Loudspeakers
Luggage and Saddlebags
Maintenance and Technology Tools
All Accessories
Motorcycle Accessories
Motorcycle Windshield Trim
Mud Flaps
Mud Guards
Painted Parts
Protection and Safety Accessories
Shift Levers
Sound and Performance Parts
Sound Systems
Spoilers & Wings
Home
1986 BMW-Motorrad K 100
Throttle Valve and Actuator
Throttle Valve and Actuator for 1986 BMW-Motorrad K 100
Motorcycle
1986 BMW-Motorrad K 100
Change Motorcycle
Categories
All
Parts
Accessories
Audio, Navigation, Information Systems
Alarm Systems
Rfi Suppression
Special Instruments (Authorities)
Body Equipment
Colors, Paint and Base Material
Locks
Mirrors, Trim, Storage Compartments
Painted Parts
Vehicle Trim
Brakes
Brake Lines
Brake Master Cylinder
Front Wheel Brake
Rear Wheel Brake
Clutch
Clutch Throwout Bearing with Lever
Clutch with Clutch Plate
Cooling
Coolant Lines
Engine Radiator with Mounting Hardware
Engine
Connecting Rod with Bearing
Coolant Pump with Drive
Crankshaft with Bearing
Cylinder Head with Cover
Engine / Running Gear
Engine Block
Housing Cover
Intake Manifold System
Oil Pan
Piston with Rings and Wristpin
Starter Motor Release, Reduction Gear
Valves with Springs
Engine Electrical System
Alternator with Pulley and Mounts
Ignition Wire, Spark Plugs
Starter
Exhaust System
Exhaust System Parts with Mounts
Frame and Mounting Parts
Center Stand
Footrests
Front Wheel Fender
Grab Handles
Luggage System
Motorcycle Frame
Motorcycle Trim Section, Windshield
Rear Wheel Cover, License Plate Bracket
Safety Bar
Side Stand
Front Axle, Front Suspension
Telescopic Forks, Telelever
Fuel Supply
Delivery, Control Units, Fuel Pump
Fuel Container with Filler Pipe
Fuel System
Injector Nozzles and Lines
Intake Muffler
Throttle Valve and Actuator
General Electrical System
Anti-Theft Horm, Horn
Auxiliary Cable
Battery with Bracket
Cable Harness
Cigarette Lighter, Power Sockets
Power Distributor, Power Supply Points
Switch
Instruments
Instrument Cluster
Lights
Headlight
Priority Vehicle Light (Authorities)
Signalling Light (Authorities)
Taillights
Turn Signals, Front
Luggage & Storage
Maintenance & Technology
Manual Transmission
Housing with Cover
Inside Shift-Control Components
Transmission Shafts
Parts and Accessories for Engine / Chassis
Car Tool
Repair Package
Pedals
Brake Pedal, Connection Linkage
Rear Axle, Rear-Wheel Drive, Suspension
Gears with Bearings, Angle Gearbox Rear
Housing, Right-Angle Gearbox, Rear
Rear Angular Gearbox
Rear Swing Arm with Bearing, Strut
Seats and Seat Bench
Bench Seat
Radio Telephone Box
Tail Trim
Steering
Bowden Cables
Control Assembly
Motorcycle Handlebars
Technical Literature
General Operating Permit
Installation Instructions
Miscellaneous
Owner Handbook
Parts Information
Repair / Service / Maintenance
Repair Manuals
Test Plans
Wiring Schemes
Wheels and Tires
Wheels with Bearings
Audio, Navigation, Information Systems
Alarm Systems
Rfi Suppression
Special Instruments (Authorities)
Body Equipment
Colors, Paint and Base Material
Locks
Mirrors, Trim, Storage Compartments
Painted Parts
Vehicle Trim
Brakes
Brake Lines
Brake Master Cylinder
Front Wheel Brake
Rear Wheel Brake
Clutch
Clutch Throwout Bearing with Lever
Clutch with Clutch Plate
Cooling
Coolant Lines
Engine Radiator with Mounting Hardware
Engine
Connecting Rod with Bearing
Coolant Pump with Drive
Crankshaft with Bearing
Cylinder Head with Cover
Engine / Running Gear
Engine Block
Housing Cover
Intake Manifold System
Oil Pan
Piston with Rings and Wristpin
Starter Motor Release, Reduction Gear
Valves with Springs
Engine Electrical System
Alternator with Pulley and Mounts
Ignition Wire, Spark Plugs
Starter
Exhaust System
Exhaust System Parts with Mounts
Frame and Mounting Parts
Center Stand
Footrests
Front Wheel Fender
Grab Handles
Luggage System
Motorcycle Frame
Motorcycle Trim Section, Windshield
Rear Wheel Cover, License Plate Bracket
Safety Bar
Side Stand
Front Axle, Front Suspension
Telescopic Forks, Telelever
Fuel Supply
Delivery, Control Units, Fuel Pump
Fuel Container with Filler Pipe
Fuel System
Injector Nozzles and Lines
Intake Muffler
Throttle Valve and Actuator
General Electrical System
Anti-Theft Horm, Horn
Auxiliary Cable
Battery with Bracket
Cable Harness
Cigarette Lighter, Power Sockets
Power Distributor, Power Supply Points
Switch
Instruments
Instrument Cluster
Lights
Headlight
Priority Vehicle Light (Authorities)
Signalling Light (Authorities)
Taillights
Turn Signals, Front
Manual Transmission
Housing with Cover
Inside Shift-Control Components
Transmission Shafts
Parts and Accessories for Engine / Chassis
Car Tool
Repair Package
Pedals
Brake Pedal, Connection Linkage
Rear Axle, Rear-Wheel Drive, Suspension
Gears with Bearings, Angle Gearbox Rear
Housing, Right-Angle Gearbox, Rear
Rear Angular Gearbox
Rear Swing Arm with Bearing, Strut
Seats and Seat Bench
Bench Seat
Radio Telephone Box
Tail Trim
Steering
Bowden Cables
Control Assembly
Motorcycle Handlebars
Technical Literature
General Operating Permit
Installation Instructions
Miscellaneous
Owner Handbook
Parts Information
Repair / Service / Maintenance
Repair Manuals
Test Plans
Wiring Schemes
Wheels and Tires
Wheels with Bearings
Luggage & Storage
Maintenance & Technology
Browse Categories
×
Select category
All
Parts
Accessories
Audio, Navigation, Information Systems
Alarm Systems
Rfi Suppression
Special Instruments (Authorities)
Body Equipment
Colors, Paint and Base Material
Locks
Mirrors, Trim, Storage Compartments
Painted Parts
Vehicle Trim
Brakes
Brake Lines
Brake Master Cylinder
Front Wheel Brake
Rear Wheel Brake
Clutch
Clutch Throwout Bearing with Lever
Clutch with Clutch Plate
Cooling
Coolant Lines
Engine Radiator with Mounting Hardware
Engine
Connecting Rod with Bearing
Coolant Pump with Drive
Crankshaft with Bearing
Cylinder Head with Cover
Engine / Running Gear
Engine Block
Housing Cover
Intake Manifold System
Oil Pan
Piston with Rings and Wristpin
Starter Motor Release, Reduction Gear
Valves with Springs
Engine Electrical System
Alternator with Pulley and Mounts
Ignition Wire, Spark Plugs
Starter
Exhaust System
Exhaust System Parts with Mounts
Frame and Mounting Parts
Center Stand
Footrests
Front Wheel Fender
Grab Handles
Luggage System
Motorcycle Frame
Motorcycle Trim Section, Windshield
Rear Wheel Cover, License Plate Bracket
Safety Bar
Side Stand
Front Axle, Front Suspension
Telescopic Forks, Telelever
Fuel Supply
Delivery, Control Units, Fuel Pump
Fuel Container with Filler Pipe
Fuel System
Injector Nozzles and Lines
Intake Muffler
Throttle Valve and Actuator
General Electrical System
Anti-Theft Horm, Horn
Auxiliary Cable
Battery with Bracket
Cable Harness
Cigarette Lighter, Power Sockets
Power Distributor, Power Supply Points
Switch
Instruments
Instrument Cluster
Lights
Headlight
Priority Vehicle Light (Authorities)
Signalling Light (Authorities)
Taillights
Turn Signals, Front
Luggage & Storage
Maintenance & Technology
Manual Transmission
Housing with Cover
Inside Shift-Control Components
Transmission Shafts
Parts and Accessories for Engine / Chassis
Car Tool
Repair Package
Pedals
Brake Pedal, Connection Linkage
Rear Axle, Rear-Wheel Drive, Suspension
Gears with Bearings, Angle Gearbox Rear
Housing, Right-Angle Gearbox, Rear
Rear Angular Gearbox
Rear Swing Arm with Bearing, Strut
Seats and Seat Bench
Bench Seat
Radio Telephone Box
Tail Trim
Steering
Bowden Cables
Control Assembly
Motorcycle Handlebars
Technical Literature
General Operating Permit
Installation Instructions
Miscellaneous
Owner Handbook
Parts Information
Repair / Service / Maintenance
Repair Manuals
Test Plans
Wiring Schemes
Wheels and Tires
Wheels with Bearings
Audio, Navigation, Information Systems
Alarm Systems
Rfi Suppression
Special Instruments (Authorities)
Body Equipment
Colors, Paint and Base Material
Locks
Mirrors, Trim, Storage Compartments
Painted Parts
Vehicle Trim
Brakes
Brake Lines
Brake Master Cylinder
Front Wheel Brake
Rear Wheel Brake
Clutch
Clutch Throwout Bearing with Lever
Clutch with Clutch Plate
Cooling
Coolant Lines
Engine Radiator with Mounting Hardware
Engine
Connecting Rod with Bearing
Coolant Pump with Drive
Crankshaft with Bearing
Cylinder Head with Cover
Engine / Running Gear
Engine Block
Housing Cover
Intake Manifold System
Oil Pan
Piston with Rings and Wristpin
Starter Motor Release, Reduction Gear
Valves with Springs
Engine Electrical System
Alternator with Pulley and Mounts
Ignition Wire, Spark Plugs
Starter
Exhaust System
Exhaust System Parts with Mounts
Frame and Mounting Parts
Center Stand
Footrests
Front Wheel Fender
Grab Handles
Luggage System
Motorcycle Frame
Motorcycle Trim Section, Windshield
Rear Wheel Cover, License Plate Bracket
Safety Bar
Side Stand
Front Axle, Front Suspension
Telescopic Forks, Telelever
Fuel Supply
Delivery, Control Units, Fuel Pump
Fuel Container with Filler Pipe
Fuel System
Injector Nozzles and Lines
Intake Muffler
Throttle Valve and Actuator
General Electrical System
Anti-Theft Horm, Horn
Auxiliary Cable
Battery with Bracket
Cable Harness
Cigarette Lighter, Power Sockets
Power Distributor, Power Supply Points
Switch
Instruments
Instrument Cluster
Lights
Headlight
Priority Vehicle Light (Authorities)
Signalling Light (Authorities)
Taillights
Turn Signals, Front
Manual Transmission
Housing with Cover
Inside Shift-Control Components
Transmission Shafts
Parts and Accessories for Engine / Chassis
Car Tool
Repair Package
Pedals
Brake Pedal, Connection Linkage
Rear Axle, Rear-Wheel Drive, Suspension
Gears with Bearings, Angle Gearbox Rear
Housing, Right-Angle Gearbox, Rear
Rear Angular Gearbox
Rear Swing Arm with Bearing, Strut
Seats and Seat Bench
Bench Seat
Radio Telephone Box
Tail Trim
Steering
Bowden Cables
Control Assembly
Motorcycle Handlebars
Technical Literature
General Operating Permit
Installation Instructions
Miscellaneous
Owner Handbook
Parts Information
Repair / Service / Maintenance
Repair Manuals
Test Plans
Wiring Schemes
Wheels and Tires
Wheels with Bearings
Luggage & Storage
Maintenance & Technology
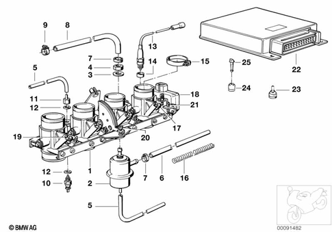
13
$132.12
Switch -
BMW-Motorrad
14
$3.43
Ring -
BMW-Motorrad
15
$18.14
Hose Clamp - D=46
BMW-Motorrad
16
$9.60
Spring -
BMW-Motorrad
17
$1.71
Protection Cap -
BMW-Motorrad
18
$381.81
Throttle Valve Switch -
BMW-Motorrad
19
$17.90
Adjusting Screw -
BMW-Motorrad
2
$297.97
Pressure Regulator -
BMW-Motorrad
20
$2.79
Adjusting Screw -
BMW-Motorrad
21
$26.19
Adjuster -
BMW-Motorrad
22
$2,007.00
Control Unit L-Jetronic -
BMW-Motorrad
23
$3.24
Bump Stop -
BMW-Motorrad
25
$3.79
Pin -
BMW-Motorrad
3
$0.74
Washer - 12-200 Hv-zns3
BMW-Motorrad
4
$4.41
Hex Nut - M12X1.5
BMW-Motorrad
5
$44.27
Vacuum Hose Black - 3.5X1.8
BMW-Motorrad
5
$44.27
Vacuum Hose Black - 3.5X1.8
BMW-Motorrad
6
$45.33
Fuel Hose - 8X13mm
BMW-Motorrad
7
$6.62
Hose Clamp - D=12mm-13.5mm
BMW-Motorrad
7
$6.62
Hose Clamp - D=12mm-13.5mm
BMW-Motorrad
8
$46.46
Hose -
BMW-Motorrad
9
$6.62
Hose Clamp - D=13
BMW-Motorrad
No.
Part # / Description
/ Price
Price
2
Pressure Regulator
13531460451
BMW-Motorrad
Notes:
View Details
View Details
3
Washer - 12-200 Hv-zns3
07119906063
BMW-Motorrad
Notes:
$0.74
-
+
Add to Cart
$0.74
-
+
Add to Cart
4
Hex Nut - M12X1.5
07119922940
BMW-Motorrad
Notes:
$4.41
-
+
Add to Cart
$4.41
-
+
Add to Cart
5
Vacuum Hose Black - 3.5X1.8
11727545323
BMW-Motorrad
Notes:
View Details
View Details
6
Fuel Hose
16121180409
BMW-Motorrad
Notes:
View Details
View Details
7
Hose Clamp
17121461500
BMW-Motorrad
Notes:
$6.62
-
+
Add to Cart
$6.62
-
+
Add to Cart
8
Hose
13311461011
BMW-Motorrad
Notes:
View Details
View Details
9
Hose Clamp
13311460928
BMW-Motorrad
Notes:
$6.62
-
+
Add to Cart
$6.62
-
+
Add to Cart
13
Switch
61311459569
BMW-Motorrad
Notes:
View Details
View Details
14
Ring
13541460926
BMW-Motorrad
Notes:
View Details
View Details
15
Hose Clamp
11611460940
BMW-Motorrad
Notes:
$18.14
-
+
Add to Cart
$18.14
-
+
Add to Cart
16
Spring
13541461531
BMW-Motorrad
Notes:
View Details
View Details
17
Protection Cap
13547694924
BMW-Motorrad
Notes:
$1.71
-
+
Add to Cart
$1.71
-
+
Add to Cart
18
Throttle Valve Switch
13631273265
BMW-Motorrad
Notes:
View Details
View Details
19
Adjusting Screw
13541461261
BMW-Motorrad
Notes:
View Details
View Details
20
Adjusting Screw
13541461237
BMW-Motorrad
Notes:
View Details
View Details
21
Adjuster
13541461238
BMW-Motorrad
Notes:
View Details
View Details
22
Control Unit L-Jetronic
13611461828
BMW-Motorrad
Notes:
For vehicles with official vehicles.
View Details
View Details
23
Bump Stop
51161459067
BMW-Motorrad
Notes:
View Details
View Details
25
Pin
51161459069
BMW-Motorrad
Notes:
View Details
View Details