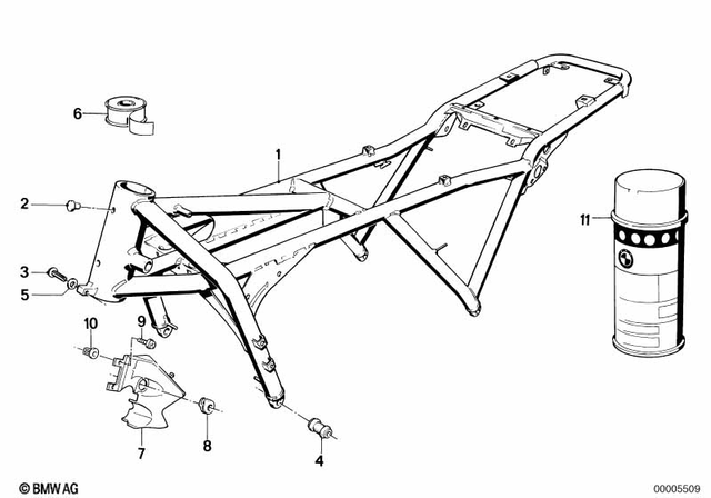
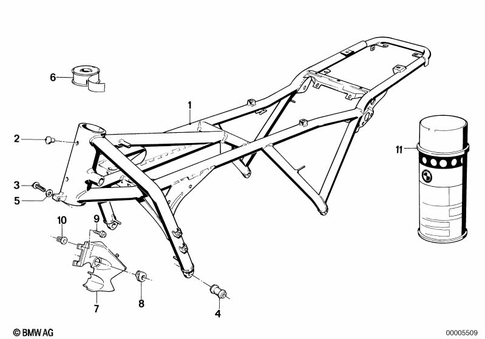
Motorcycle Frame for 1986 BMW-Motorrad K 100
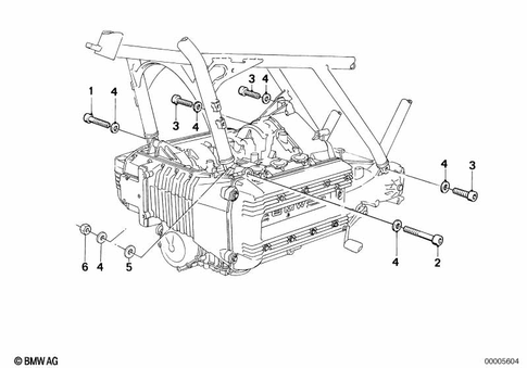
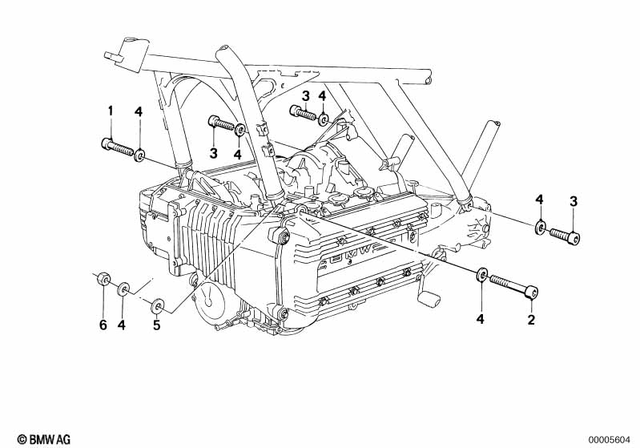
No.
Part # / Description / Price
Price
No.
Part # / Description / Price
Price
11
Spray Black Matt - 400ML
BMW-Motorrad
BMW-Motorrad Notes: Fast-drying matt black spray paint, I.E., for rocker panels and lower bumpers. Not structure paint! Color mixture code A45 matt black.
