Home
(615) 321-3311
My Cart
Parts
Accessories
Gear
My Account
Policies
My Account
Track Orders
Contact Us
Cart
Cart is Empty
Parts
Accessories
Gear
icons
1997 BMW-Motorrad F 650 ST
×
Recent Motorcycles
1997 BMW-Motorrad F 650 ST
Catalog
Add Motorcycle
Search All Motorcycles
Delete All Vehicles from My Garage
Search Bar 3
Search by Part Number(s), Keywords, or VIN
Featured Categories
Brakes
Batteries
All Categories
Air Intake & Fuel Delivery
Audio, Navigation, and Information Systems
Belts, Pulleys & Brackets
Body Equipment
Brakes
Cooling Systems
Electrical Systems
Engine Components
Gaskets
Lights
Suspension
Wheels & Tires
Additional Parts
Manuals and Handbooks
Air Intake & Fuel Delivery
Air Cleaner Assemblies
Air Intake Systems
Fuel Injectors
Fuel Pumps
Fuel Systems
Fuel Tanks
Full Set Gaskets
Throttle Valve And Actuators
Audio, Navigation, and Information Systems
Alarm Systems
Audio, Navigation, and Information Systems
Cruise Control Components
Instrument Panels
Instruments and Gauges
Navigation & Communication Tools
On Board Computers
Belts, Pulleys & Brackets
Belts, Pulleys & Brackets
Hoses & Clamps
Timing Belts & Chains
Body Equipment
Body Equipment
Fenders
Frame and Mounting
Handlebar Circumference Parts
Mirrors
Mouldings & Trim
Trim
Brakes
Bowden Cables
Brake Calipers
Brake Discs, Rotors & Hardware
Brake Drums
Brake Lines
Brake Master Cylinders
Brake Pads
Brakes
Cooling Systems
Coolant Lines
Cooling Systems
Radiators & Parts
Thermostats & Parts
Water Pumps
Electrical Systems
Alternators
Battery with Brackets
ECU Modules
Electrical Systems
Spark Plugs
Switches and Controls
Voltage Regulators
Engine Components
Air Filters
Camshafts, Lifters, & Parts
Cylinder Heads
Engine Components
Engines
Motor Mounts
Piston With Rings And Wristpins
Valve Covers
Gaskets
Exhaust Gaskets
Gaskets
Intake Gaskets
Oil Pan Gaskets
Lights
Fog Lamps And Auxiliary Lights
Headlight Bulbs
Headlights
Light Assemblies
Lights
Side Marker Lights
Tail Lights
Taillight Bulbs
Turn Signals
Suspension
Coil Springs
Control Arms
Mechanical Hydraulic Components
Shocks & Struts
Suspension & Steering
Suspension Parts
Sway Bars
Transmissions
Wheels & Tires
Tire Accessories
Tire Pressure Monitor Systems
Wheel Center Caps
Wheel Hubs & Bearings
Wheel Lugs
Wheels and Tires
Additional Parts
Cable Harnesses
Center Stands
Clutch Throwout Bearing With Lever
Drive Shafts
Exhaust Systems
Oil Coolers
Oil Filters
Rear Wheel Swinging Arms
Manuals and Handbooks
Equipment and Tools
Multilingual Repair Manuals
Owners Handbooks
Repair Manuals
All Categories
F Series
G Series
H Series
K Series
R Series
S Series
F Series
F650
F650 Enduro
F650 SE
F650CS
F650CS ABS
F650GS
F650GS ABS
F650GS Dakar
F800GS
All Models
G Series
G310GS
G310R
G650 Xchallenge
G650 Xcountry
G650 Xmoto
G650GS
G650GS Sertao
H Series
HP2 Enduro
HP2 Megamoto
HP2 Sport
HP4
HP4 RACE
K Series
K1
K100
K100LT
K100LT ABS
K100RS
K100RS ABS
K100RS FL
K1200LT
K75
All Models
R Series
R 18
R 18 B
R 18 Classic
R 18 Transcontinental
R nine T
R nine T /5
R1200C
R1200GS
R1250RT
All Models
S Series
S1000R
S1000RR
S1000XR
All Categories
Motorcycle Accessories
All Accessories
Cigarette Lighter Power Sockets
Cup Holders
Dash Parts
Design Accessories
Electronics
Ergonomics & Comfort Accessories
Grilles
Loudspeakers
Luggage and Saddlebags
Maintenance and Technology Tools
All Accessories
Motorcycle Accessories
Motorcycle Windshield Trim
Mud Flaps
Mud Guards
Painted Parts
Protection and Safety Accessories
Shift Levers
Sound and Performance Parts
Sound Systems
Spoilers & Wings
Home
1997 BMW-Motorrad F 650 ST
Valves with Springs
Valves with Springs for 1997 BMW-Motorrad F 650 ST
Motorcycle
1997 BMW-Motorrad F 650 ST
Change Motorcycle
Categories
All
Parts
Accessories
Audio, Navigation, Information Systems
Alarm Systems
Body Equipment
Locks
Mirrors, Trim, Storage Compartments
Painted Parts
Vehicle Trim
Brakes
Brake Lines
Brake Master Cylinder
Front Wheel Brake
Mechanical-Hydraulic Components
Rear Wheel Brake
Clutch
Clutch Throwout Bearing with Lever
Clutch with Clutch Plate
Cooling
Coolant Lines
Electric Fan, Suction
Engine Radiator with Mounting Hardware
Engine
Compensating Shaft
Coolant Pump with Drive
Crankshaft with Bearing
Cylinder Head with Cover
Engine / Running Gear
Engine Block
Engine, Ancillary Guard Components
Housing Cover
Oil Cooler with Supply and Return Lines
Oil Filter and Lines
Oil Pump with Filter Screen and Drive
Piston with Rings and Wristpin
Valves with Springs
Engine Electrical System
Alternator with Pulley and Mounts
Ignition Wire, Spark Plugs
Starter
Exhaust System
Exhaust System Parts with Mounts
Frame and Mounting Parts
Center Stand
Footrests
Front Wheel Fender
Luggage System
Motorcycle Frame
Motorcycle Trim Section, Windshield
Rear Wheel Cover, License Plate Bracket
Safety Bar
Side Stand
Front Axle, Front Suspension
Telescopic Forks, Telelever
Fuel Supply
Fuel Container with Filler Pipe
Ventilation, Emissions Monitoring
Fuel System
Carburetor
Intake Muffler
General Electrical System
Anti-Theft Horm, Horn
Battery with Bracket
Cable Harness
Cigarette Lighter, Power Sockets
Plug-in Connection, Clamp
Power Distributor, Power Supply Points
Relay
Switch
Instruments
Instrument Cluster
Lights
Headlight
Taillights
Turn Signals, Front
Luggage & Storage
Maintenance & Technology
Manual Transmission
Inside Shift-Control Components
Manual Transmission
Parts and Accessories for Engine / Chassis
Car Tool
Special Vehicles
Pedals
Brake Pedal, Connection Linkage
Rear Axle, Rear-Wheel Drive, Suspension
Rear Swing Arm with Bearing, Strut
Spring Strut, Mounted Parts
Torque-Transfer Mechanism, Motorcycle
Steering
Bowden Cables
Control Assembly
Motorcycle Handlebars
Technical Literature
Installation Instructions
Miscellaneous
Parts Information
Repair / Service / Maintenance
Repair Manuals
Wheels and Tires
Wheels with Bearings
Audio, Navigation, Information Systems
Alarm Systems
Body Equipment
Locks
Mirrors, Trim, Storage Compartments
Painted Parts
Vehicle Trim
Brakes
Brake Lines
Brake Master Cylinder
Front Wheel Brake
Mechanical-Hydraulic Components
Rear Wheel Brake
Clutch
Clutch Throwout Bearing with Lever
Clutch with Clutch Plate
Cooling
Coolant Lines
Electric Fan, Suction
Engine Radiator with Mounting Hardware
Engine
Compensating Shaft
Coolant Pump with Drive
Crankshaft with Bearing
Cylinder Head with Cover
Engine / Running Gear
Engine Block
Engine, Ancillary Guard Components
Housing Cover
Oil Cooler with Supply and Return Lines
Oil Filter and Lines
Oil Pump with Filter Screen and Drive
Piston with Rings and Wristpin
Valves with Springs
Engine Electrical System
Alternator with Pulley and Mounts
Ignition Wire, Spark Plugs
Starter
Exhaust System
Exhaust System Parts with Mounts
Frame and Mounting Parts
Center Stand
Footrests
Front Wheel Fender
Luggage System
Motorcycle Frame
Motorcycle Trim Section, Windshield
Rear Wheel Cover, License Plate Bracket
Safety Bar
Side Stand
Front Axle, Front Suspension
Telescopic Forks, Telelever
Fuel Supply
Fuel Container with Filler Pipe
Ventilation, Emissions Monitoring
Fuel System
Carburetor
Intake Muffler
General Electrical System
Anti-Theft Horm, Horn
Battery with Bracket
Cable Harness
Cigarette Lighter, Power Sockets
Plug-in Connection, Clamp
Power Distributor, Power Supply Points
Relay
Switch
Instruments
Instrument Cluster
Lights
Headlight
Taillights
Turn Signals, Front
Manual Transmission
Inside Shift-Control Components
Manual Transmission
Parts and Accessories for Engine / Chassis
Car Tool
Special Vehicles
Pedals
Brake Pedal, Connection Linkage
Rear Axle, Rear-Wheel Drive, Suspension
Rear Swing Arm with Bearing, Strut
Spring Strut, Mounted Parts
Torque-Transfer Mechanism, Motorcycle
Steering
Bowden Cables
Control Assembly
Motorcycle Handlebars
Technical Literature
Installation Instructions
Miscellaneous
Parts Information
Repair / Service / Maintenance
Repair Manuals
Wheels and Tires
Wheels with Bearings
Luggage & Storage
Maintenance & Technology
Browse Categories
×
Select category
All
Parts
Accessories
Audio, Navigation, Information Systems
Alarm Systems
Body Equipment
Locks
Mirrors, Trim, Storage Compartments
Painted Parts
Vehicle Trim
Brakes
Brake Lines
Brake Master Cylinder
Front Wheel Brake
Mechanical-Hydraulic Components
Rear Wheel Brake
Clutch
Clutch Throwout Bearing with Lever
Clutch with Clutch Plate
Cooling
Coolant Lines
Electric Fan, Suction
Engine Radiator with Mounting Hardware
Engine
Compensating Shaft
Coolant Pump with Drive
Crankshaft with Bearing
Cylinder Head with Cover
Engine / Running Gear
Engine Block
Engine, Ancillary Guard Components
Housing Cover
Oil Cooler with Supply and Return Lines
Oil Filter and Lines
Oil Pump with Filter Screen and Drive
Piston with Rings and Wristpin
Valves with Springs
Engine Electrical System
Alternator with Pulley and Mounts
Ignition Wire, Spark Plugs
Starter
Exhaust System
Exhaust System Parts with Mounts
Frame and Mounting Parts
Center Stand
Footrests
Front Wheel Fender
Luggage System
Motorcycle Frame
Motorcycle Trim Section, Windshield
Rear Wheel Cover, License Plate Bracket
Safety Bar
Side Stand
Front Axle, Front Suspension
Telescopic Forks, Telelever
Fuel Supply
Fuel Container with Filler Pipe
Ventilation, Emissions Monitoring
Fuel System
Carburetor
Intake Muffler
General Electrical System
Anti-Theft Horm, Horn
Battery with Bracket
Cable Harness
Cigarette Lighter, Power Sockets
Plug-in Connection, Clamp
Power Distributor, Power Supply Points
Relay
Switch
Instruments
Instrument Cluster
Lights
Headlight
Taillights
Turn Signals, Front
Luggage & Storage
Maintenance & Technology
Manual Transmission
Inside Shift-Control Components
Manual Transmission
Parts and Accessories for Engine / Chassis
Car Tool
Special Vehicles
Pedals
Brake Pedal, Connection Linkage
Rear Axle, Rear-Wheel Drive, Suspension
Rear Swing Arm with Bearing, Strut
Spring Strut, Mounted Parts
Torque-Transfer Mechanism, Motorcycle
Steering
Bowden Cables
Control Assembly
Motorcycle Handlebars
Technical Literature
Installation Instructions
Miscellaneous
Parts Information
Repair / Service / Maintenance
Repair Manuals
Wheels and Tires
Wheels with Bearings
Audio, Navigation, Information Systems
Alarm Systems
Body Equipment
Locks
Mirrors, Trim, Storage Compartments
Painted Parts
Vehicle Trim
Brakes
Brake Lines
Brake Master Cylinder
Front Wheel Brake
Mechanical-Hydraulic Components
Rear Wheel Brake
Clutch
Clutch Throwout Bearing with Lever
Clutch with Clutch Plate
Cooling
Coolant Lines
Electric Fan, Suction
Engine Radiator with Mounting Hardware
Engine
Compensating Shaft
Coolant Pump with Drive
Crankshaft with Bearing
Cylinder Head with Cover
Engine / Running Gear
Engine Block
Engine, Ancillary Guard Components
Housing Cover
Oil Cooler with Supply and Return Lines
Oil Filter and Lines
Oil Pump with Filter Screen and Drive
Piston with Rings and Wristpin
Valves with Springs
Engine Electrical System
Alternator with Pulley and Mounts
Ignition Wire, Spark Plugs
Starter
Exhaust System
Exhaust System Parts with Mounts
Frame and Mounting Parts
Center Stand
Footrests
Front Wheel Fender
Luggage System
Motorcycle Frame
Motorcycle Trim Section, Windshield
Rear Wheel Cover, License Plate Bracket
Safety Bar
Side Stand
Front Axle, Front Suspension
Telescopic Forks, Telelever
Fuel Supply
Fuel Container with Filler Pipe
Ventilation, Emissions Monitoring
Fuel System
Carburetor
Intake Muffler
General Electrical System
Anti-Theft Horm, Horn
Battery with Bracket
Cable Harness
Cigarette Lighter, Power Sockets
Plug-in Connection, Clamp
Power Distributor, Power Supply Points
Relay
Switch
Instruments
Instrument Cluster
Lights
Headlight
Taillights
Turn Signals, Front
Manual Transmission
Inside Shift-Control Components
Manual Transmission
Parts and Accessories for Engine / Chassis
Car Tool
Special Vehicles
Pedals
Brake Pedal, Connection Linkage
Rear Axle, Rear-Wheel Drive, Suspension
Rear Swing Arm with Bearing, Strut
Spring Strut, Mounted Parts
Torque-Transfer Mechanism, Motorcycle
Steering
Bowden Cables
Control Assembly
Motorcycle Handlebars
Technical Literature
Installation Instructions
Miscellaneous
Parts Information
Repair / Service / Maintenance
Repair Manuals
Wheels and Tires
Wheels with Bearings
Luggage & Storage
Maintenance & Technology
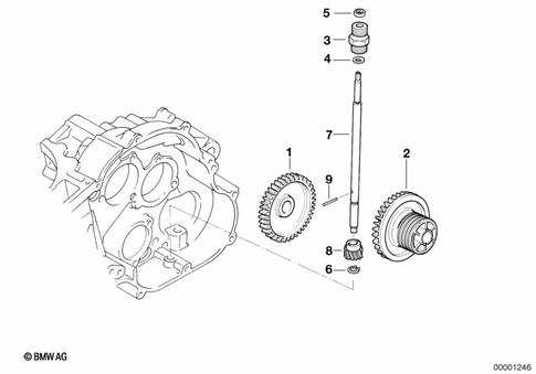
1
$84.65
Intake Valve - 36
BMW-Motorrad
2
$120.92
Exhaust Valve - 31
BMW-Motorrad
3
$10.94
Valve Seal Ring -
BMW-Motorrad
5
$13.42
Valve Spring -
BMW-Motorrad
6
$6.21
Valve Collet -
BMW-Motorrad
8
$50.71
Valve Lifter -
BMW-Motorrad
9
$16.87
Adjusting Plate - 2.50
BMW-Motorrad
$10.46
Adjusting Plate - 2.90
BMW-Motorrad
$16.87
Adjusting Plate - 2.35
BMW-Motorrad
$10.46
Adjusting Plate - 2.10
BMW-Motorrad
$10.46
Adjusting Plate - 2.60
BMW-Motorrad
See more products
No.
Part # / Description
/ Price
Price
1
Intake Valve - 36
11342343225
BMW-Motorrad
Notes:
$84.65
-
+
Add to Cart
$84.65
-
+
Add to Cart
2
Exhaust Valve - 31
11342343226
BMW-Motorrad
Notes:
$120.92
-
+
Add to Cart
$120.92
-
+
Add to Cart
3
Valve Seal Ring
11342343228
BMW-Motorrad
Notes:
$10.94
-
+
Add to Cart
$10.94
-
+
Add to Cart
5
Valve Spring
11341460656
BMW-Motorrad
Notes:
View Details
View Details
6
Valve Collet
11342343230
BMW-Motorrad
Notes:
$6.21
-
+
Add to Cart
$6.21
-
+
Add to Cart
8
Valve Lifter
11321460144
BMW-Motorrad
Notes:
View Details
View Details
9
Adjusting Plate - 2.50
11321460157
BMW-Motorrad
Notes:
View Details
View Details
9
Adjusting Plate - 2.90
11321460165
BMW-Motorrad
Notes:
View Details
View Details
9
Adjusting Plate - 2.35
11321460154
BMW-Motorrad
Notes:
$16.87
-
+
Add to Cart
$16.87
-
+
Add to Cart
9
Adjusting Plate - 2.10
11321460149
BMW-Motorrad
Notes:
View Details
View Details
9
Adjusting Plate - 2.60
11321460159
BMW-Motorrad
Notes:
$10.46
-
+
Add to Cart
$10.46
-
+
Add to Cart
9
Adjusting Plate - 2.20
11321460151
BMW-Motorrad
Notes:
$10.46
-
+
Add to Cart
$10.46
-
+
Add to Cart
9
Adjusting Plate - 2.85
11321460164
BMW-Motorrad
Notes:
View Details
View Details
9
Adjustment Plate - 2.05
11321460148
BMW-Motorrad
Notes:
View Details
View Details
9
Adjustment Plate - 2.00
11321460147
BMW-Motorrad
Notes:
$10.46
-
+
Add to Cart
$10.46
-
+
Add to Cart
9
Adjusting Plate - 2.80
11321460163
BMW-Motorrad
Notes:
View Details
View Details
9
Adjusting Plate - 3.00
11321460167
BMW-Motorrad
Notes:
View Details
View Details
9
Adjusting Plate - 2.30
11321460153
BMW-Motorrad
Notes:
View Details
View Details
9
Adjusting Plate - 2.65
11321460160
BMW-Motorrad
Notes:
View Details
View Details
9
Adjusting Plate - 2.25
11321460152
BMW-Motorrad
Notes:
$10.46
-
+
Add to Cart
$10.46
-
+
Add to Cart
9
Adjusting Plate - 2.70
11321460161
BMW-Motorrad
Notes:
View Details
View Details
9
Adjusting Plate - 2.75
11321460162
BMW-Motorrad
Notes:
$10.46
-
+
Add to Cart
$10.46
-
+
Add to Cart
9
Adjusting Plate - 2.55
11321460158
BMW-Motorrad
Notes:
View Details
View Details
9
Adjusting Plate - 2.15
11321460150
BMW-Motorrad
Notes:
View Details
View Details
9
Adjusting Plate - 2.95
11321460166
BMW-Motorrad
Notes:
View Details
View Details
9
Adjusting Plate - 2.40
11321460155
BMW-Motorrad
Notes:
$10.46
-
+
Add to Cart
$10.46
-
+
Add to Cart
9
Adjusting Plate - 2.45
11321460156
BMW-Motorrad
Notes:
$10.46
-
+
Add to Cart
$10.46
-
+
Add to Cart
10
$3.23
Gasket Ring - 18.2X24X1
BMW-Motorrad
11
$8.14
Bearing Screw - M6X31-mk
BMW-Motorrad
12
$15.69
Bow -
BMW-Motorrad
13
$8.89
Spacer Bolt - M6X16
BMW-Motorrad
14
$250.93
Decompression Lever -
BMW-Motorrad
15
$6.95
Roll Pin - 5X23.8
BMW-Motorrad
16
$3.58
Compression Spring -
BMW-Motorrad
5
$4.68
Washer - 10-200 Zns3
BMW-Motorrad
6
$117.62
Timing Chain -
BMW-Motorrad
9
$117.94
Set of Chain Tensioners -
BMW-Motorrad
No.
Part # / Description
/ Price
Price
5
Washer - 10-200 Zns3
07119904209
BMW-Motorrad
Notes:
$4.68
-
+
Add to Cart
$4.68
-
+
Add to Cart
6
Timing Chain
11312343084
BMW-Motorrad
Notes:
$117.62
-
+
Add to Cart
$117.62
-
+
Add to Cart
9
Set Of Chain Tensioners
11318544800
BMW-Motorrad
Notes:
View Details
View Details
10
Gasket Ring - 18.2X24X1
11312343091
BMW-Motorrad
Notes:
$3.23
-
+
Add to Cart
$3.23
-
+
Add to Cart
11
Bearing Screw - M6X31-Mk
11317676592
BMW-Motorrad
Notes:
View Details
View Details
12
Bow
11312343088
BMW-Motorrad
Notes:
View Details
View Details
13
Spacer Bolt - M6X16
11312343089
BMW-Motorrad
Notes:
View Details
View Details
14
Decompression Lever
11312343095
BMW-Motorrad
Notes:
View Details
View Details
15
Roll Pin - 5X23.8
11312343096
BMW-Motorrad
Notes:
View Details
View Details
16
Compression Spring
11312343097
BMW-Motorrad
Notes:
View Details
View Details
1
$26.47
Gear Wheel - 31 Z
BMW-Motorrad
3
$16.57
Hollow Bolt -
BMW-Motorrad
4
$3.08
Washer - 6.2X12X1
BMW-Motorrad
5
$26.53
Shaft Seal - 6X11X4.5
BMW-Motorrad
No.
Part # / Description
/ Price
Price
1
Gear Wheel - 31 Z
11412343110
BMW-Motorrad
Notes:
View Details
View Details
3
Hollow Bolt
62132343220
BMW-Motorrad
Notes:
View Details
View Details
4
Washer - 6.2X12X1
23002343261
BMW-Motorrad
Notes:
View Details
View Details
5
Shaft Seal - 6X11X4.5
62132343221
BMW-Motorrad
Notes:
View Details
View Details